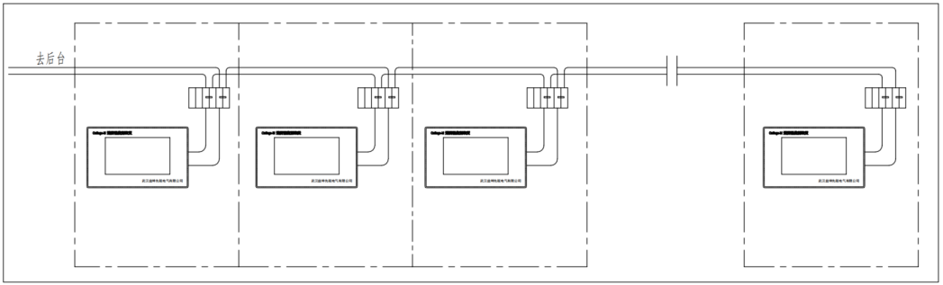
組網說明
RS485 通信應采用專用屏蔽雙絞線電纜進行手拉手連接, 并且將屏蔽層單端連接地,一般采用終端匹配的總線型結構 ;RS485傳輸距離超過500m,在傳輸總線的兩端需要 2個終接電阻,其阻值要求等于傳輸電纜的特性阻抗(一般為 120 Ω )。

附表1:
避雷器數字化泄漏電流表數據標識表
序號 | 對象標識 OI | 名稱 | 數據類型 | 長度 (Byte) | 單位 | 備注 |
1 | 2300 | 數據結構體 | Struct | 146 |
| 只讀 |
2 | 2301 | 傳感器狀態 | OcterString | 2 |
| Bit0:傳感器狀態 Bit1: 全電流超標報警 Bit2: 阻性電流超標報警 Bit3:容性電流超標報警 Bit4: 雷擊次數超標報警 0表示正常;1表示故障/動作 |
3 | 2302 | 相位 | UTiny | 1 |
| 01-A 相 02-B 相 03-C 相 讀寫 |
4 | 2303 | 系統頻率 | Float | 4 | Hz | 只讀 |
5 | 2304 | 全電流 | Float | 4 | mA | 只讀 |
6 | 2305 | 阻性電流 | Float | 4 | mA | 只讀(如無,則上傳FFFFFFFF) |
7 | 2306 | 容性電流 | Float | 4 | mA | 只讀(如無,則上傳FFFFFFFF) |
8 | 2307 | 最后一次落雷時間 | DataTime | 7 |
| 只讀 |
9 | 2308 | 避雷器動作次數 | UShort | 2 | 次 | 只讀 |
10 | 2309 | 系統基波電壓有效值 | Float | 4 | kV | 只讀(如無,則上傳FFFFFFFF) |
11 | 230A | 全電流超標閾值 | Float | 4 | mA | 只讀 |
12 | 230B | 阻性電流超標閾值 | Float | 4 | mA | 只讀(如無,則上傳FFFFFFFF) |
13 | 230C | 容性電流超標閾值 | Float | 4 | mA | 只讀(如無,則上傳FFFFFFFF) |
14 | 230D | 雷擊次數超標閾值 | UShort | 2 | 次 | 只讀 |
15 | 230E | 泄漏電流采集相位 | Float | 4 | ° | 只讀(如無,則上傳 FFFFFFFF) |